BG大游(中国)唯一官方网站
中文版
中文版
English
Español
Français
русский
Deutsch
Tiếng Việt
BG大游(中国)唯一官方网站的业务
|
通信储能
数据中心
电力储能
其他场景
BG大游(中国)唯一官方网站的公司
|
集团简介
企业文化
发展历程
BG大游(中国)唯一官方网站的创新
BG大游(中国)唯一官方网站的荣誉
BG大游(中国)唯一官方网站的品质
社会责任
环保信息
BG大游(中国)唯一官方网站的服务
|
合作客户
联系BG大游(中国)唯一官方网站
新闻中心
|
公司新闻
展会预告
宣传资料
在线招聘
|
热招职位
校园招聘
学习与培训
投资者关系
|
公告及通函
网上展厅
环保信息
当前位置:
首页
>
BG大游(中国)唯一官方网站的公司
>
环保信息
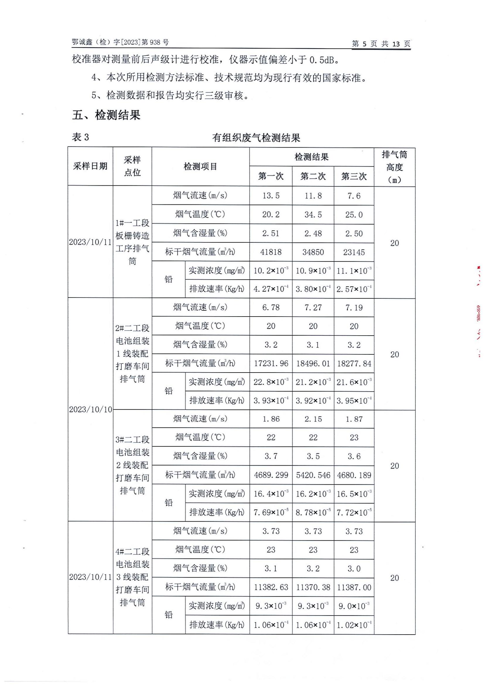
> 2023年10月份 938 湖北bg大游润阳新能源有限公司污染物检测
2023年10月份 938 湖北bg大游润阳新能源有限公司污染物检测
2024-01-17 17:45:47 来源: bg大游集团
Copyright © 2017 bg大游集团股份有限公司 版权所有 客服热线 400-889-9886
扫描关注BG大游(中国)唯一官方网站
的中文微信
扫描关注BG大游(中国)唯一官方网站
的英文微信